| НАИМЕНОВАНИЕ ПАРАМЕТРА | ЗНАЧЕНИЕ ПАРАМЕТРА |
|---|---|
| Материал корпуса | Сталь |
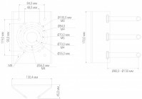
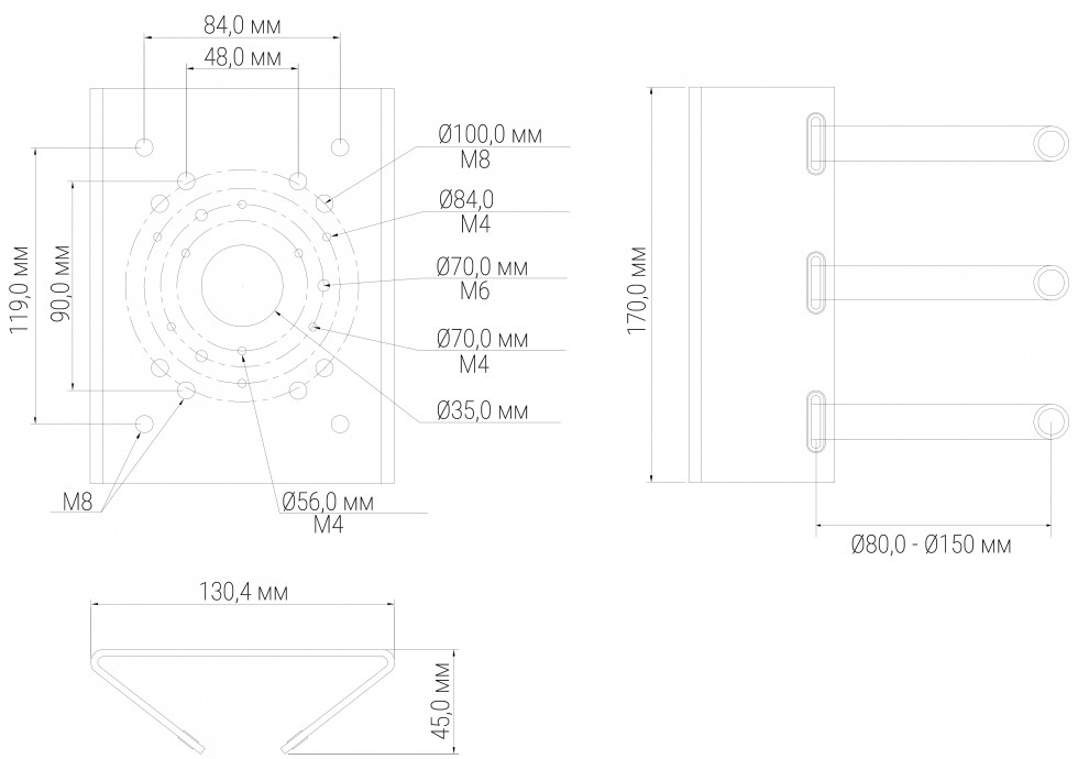
| Габаритные размеры | 130,4×170×45 мм |
| Резьба | Нет |
| Диапазон рабочих температур | От -50°C до +60°C |
| Относительная влажность воздуха | От 10% до 90% |
| Допустимая нагрузка | Не более 10 кг |
| Масса | 1,1 кг |
Сертификат транспортной безопасности на систему видеонаблюдения (17 Mб) 
Решение об отсутствии необходимости обязательной сертификации (893 Кб) 
Сводный список сертификатов продукции (1 Mб) 
Совместимость кронштейнов с видеооборудованием (459 Кб) 
Руководство по эксплуатации (1 Mб) 
| Наименование | Цена (руб.) | |
|---|---|---|
| Кронштейн BOLID BR-103, шт. | 3 960 | купить |