Проекты и решенияВнедренные проектыМагазин с пекарней
Рекомендации по построению систем пожарной автоматики в соответствии с СП 484.1311500.2020 изм.1
Автоматизация проектирования BolidCAD
Оборудование Болид в Едином реестре российской радиоэлектронной продукции
Приглашаем принять участие в опросе

Магазин с пекарней

Магазин с пекарней

Исполнитель:
ООО "ЭкспертСтройИнжиниринг"

Выполненные работы по проекту:
  • разработка проекта
Здание "Магазин-пекарня" из условия производства хлебобулочных изделий, а также реализация населению продовольственных и промышленных товаров
Адрес объекта: Россия, Ханты-Мансийский Автономный округ - Югра АО, п Большие Леуши, ул. Центральная, 20а

Тип объекта: Объект торговли (Супермаркет, магазин)

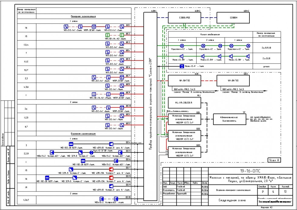
Система пожарная сигнализация в Здание наполнительной станции смонтирована по проекту "19-16-ОПС" на приборе приёмно-контрольный охранно-пожарный "Сигнал-20М".
Шлейфы ПС и ОС сводятся на Сигнал-20М. Управление ПС с кнопок Сигнал-20М. Управление ОС с клавиатуры С2000М, кнопки ОС на Сигнал-20М заблокированы. Прибор "С2000-PGE" предназначен для передачи сообщений о событиях системы "Орион" по каналам связи: городская телефонная сеть (ГТС), GSM, Ethernet на пульт централизованной охраны, стационарные и мобильные телефоны пользователей.

Для реализации проекта была использована следующая продукция

Пожарная сигнализация
АРМ
шт.
Сетевой контроллер
шт.
Прибор
шт.
Извещатель
шт.
Повторитель, преобразователь интерфейса
шт.
Прочее
шт.
1
1
1
2
Итого:
1
1
1
2

Оповещение о пожаре
АРМ
шт.
Сетевой контроллер
шт.
Прибор
шт.
Извещатель
шт.
Повторитель, преобразователь интерфейса
шт.
Прочее
шт.
1
1
Итого:
1
1

Охранная сигнализация
АРМ
шт.
Сетевой контроллер
шт.
Прибор
шт.
Извещатель
шт.
Повторитель, преобразователь интерфейса
шт.
Прочее
шт.
1
1
Итого:
1
1

Централизованная охрана
АРМ
шт.
Сетевой контроллер
шт.
Прибор
шт.
Извещатель
шт.
Повторитель, преобразователь интерфейса
шт.
Прочее
шт.
1
Итого:
1