Торгово-складское здание
Адрес объекта: Россия, Омская обл, г Омск, ул.22 Декабря, д.102, кор.4
Тип объекта: Объект торговли (Супермаркет, магазин)
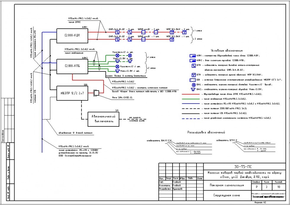
Пожарная сигнализация в магазине товаров первой необходимости смонтирована по проекту "30-15-ПС" на основе адресно-аналоговой подсистеме «С2000-КДЛ». Контроль состояния и управление системой производится с центрального поста охраны. Система пожарная сигнализация формирует управляющие и информационные сигналы в систему вентиляции.
Для реализации проекта была использована следующая продукция
| Пожарная сигнализация |
|---|
АРМ шт. | Сетевой контроллер шт. | Прибор шт. | Извещатель шт. | Повторитель, преобразователь интерфейса шт. | Прочее шт. |
|---|
| 1 | 1 1 1 | 3 ДИП-34А 7 3 | | |
| Итого: | 1 | 3 | 13 | | |
| Оповещение о пожаре |
|---|
АРМ шт. | Сетевой контроллер шт. | Прибор шт. | Извещатель шт. | Повторитель, преобразователь интерфейса шт. | Прочее шт. |
|---|
| 1 | 1 | | | |
| Итого: | 1 | 1 | | | |