Здание центра культуры и досуга - клубное учреждение, центр культурно-массовой и просветительской работы
Адрес объекта: Россия, Омская обл, с Лукьяновка, пер.Центральный, д.3
Тип объекта: Учреждение культуры, отдыха и спорта (Стадионы, музеи, галереи, театры, ДК)
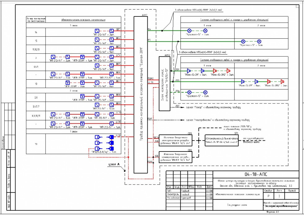
Система автоматической пожарной сигнализации в здании центра культуры и досуга Лукьяновского казачьего сельского поселения смонтирована по проекту "04-18-АПС" на основе приборе приёмно-контрольный охранно-пожарный "Сигнал-20М". Система автоматической пожарной сигнализации осуществляет передачу сигнала "Пожар" и "Неисправность" на пульт ПЦН.
Для реализации проекта была использована следующая продукция
| Пожарная сигнализация |
|---|
АРМ шт. | Сетевой контроллер шт. | Прибор шт. | Извещатель шт. | Повторитель, преобразователь интерфейса шт. | Прочее шт. |
|---|
| | 1 | | | |
| Итого: | | 1 | | | |
| Оповещение о пожаре |
|---|
АРМ шт. | Сетевой контроллер шт. | Прибор шт. | Извещатель шт. | Повторитель, преобразователь интерфейса шт. | Прочее шт. |
|---|
| | 1 | | | |
| Итого: | | 1 | | | |