Проекты и решенияВнедренные проекты
Рекомендации по построению систем пожарной автоматики в соответствии с СП 484.1311500.2020 изм.1
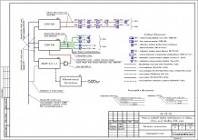
Автоматизация проектирования BolidCAD
Оборудование Болид в Едином реестре российской радиоэлектронной продукции
Приглашаем принять участие в опросе

Внедренные проекты

Продукцией компании «Болид» оснащено около 1 миллиона объектов.
На карте размещены объекты, информация по которым предоставлена компаниями, зарегистрированными в партнерском разделе сайта.
По определенным причинам Исполнители не могут публиковать полный перечень выполненных проектов.
За более полной информацией можете обратиться к Исполнителю.


КРУЭ-110 кВ
КРУЭ-110 кВ

КРУЭ-110 кВ. ПС 110/10 кВ «ГПП-5»

Исполнитель:
ООО "ЭЛТОРГ"
Установка по разделению воздуха "Праксэа Рус"
Установка по разделению воздуха "Праксэа Рус"

Криогенные установки разделения воздуха (2хТ1300) для получения ПРВ высокого давления с сопутствующими технологическими строениями.

Исполнитель:
ООО "ЭЛТОРГ"
Ресторан «Максимилианс»
Ресторан «Максимилианс»

Ресторан-пивоварня «Максимилианс»

Исполнитель:
ООО "ЭЛТОРГ"
Офис банка "Тинькофф" в ТЦ "Водный"
Офис банка "Тинькофф" в ТЦ "Водный"

При разработке проектных решений в соответствии с техническим заданием были выполнены разработка проекта, монтажные и пусконаладочные работы по системам СКУД и ОС на трех этажах головного офиса банка "Тинькофф".

Исполнитель:
ООО "МБО"
ООО "ОМА" г. Гомель
ООО "ОМА" г. Гомель

Магазин инструмента и строительных материалов ООО "ОМА" г. Гомель

Исполнитель:
ОДО "СитиВИС"
ООО "ОМА" г. Брест
ООО "ОМА" г. Брест

Магазин инструмента и стройматериалы ООО "ОМА" г. Брест

Исполнитель:
ОДО "СитиВИС"
Система АПС и оповещения о пожаре в здании ПАО "МРСК Центра-Ярэнерго" г. Рыбинск, ул. 1-я Выборгская, д.70
Система АПС и оповещения о пожаре в здании ПАО "МРСК Центра-Ярэнерго" г. Рыбинск, ул. 1-я Выборгская, д.70

Разработка рабочей документации по созданию системы автоматической пожарной сигнализации и оповещения о пожаре в здании ПАО "МРСК Центра-Ярэнерго"

Исполнитель:
ООО "ИНВЕНСИС" (INVENSIS LLC)
Система АПС и оповещения о пожаре в здании ПАО "МРСК Центра-Ярэнерго" г. Рыбинск, ул. Шуйская, д.68
Система АПС и оповещения о пожаре в здании ПАО "МРСК Центра-Ярэнерго" г. Рыбинск, ул. Шуйская, д.68

Разработка рабочей документации по созданию системы автоматической пожарной сигнализации и оповещения о пожаре в здании ПАО "МРСК Центра-Ярэнерго"

Исполнитель:
ООО "ИНВЕНСИС" (INVENSIS LLC)
Многоэтажный жилой дом с объектами социального назначения, подземной автостоянкой и нежилыми помещениями по адресу: г. Рязань, Касимовское шоссе, д.8
Многоэтажный жилой дом с объектами социального назначения, подземной автостоянкой и нежилыми помещениями по адресу: г. Рязань, Касимовское шоссе, д.8

Монтаж и пусконаладка систем АПС СОУЭ и автоматики дымоудаления, в 21 этажном жилом доме на 280 квартир с нежилыми помещениями.

Исполнитель:
ООО Современные системы безопасности
Кинотеатр "Cinemax Shymkent Multiplex"
Кинотеатр "Cinemax Shymkent Multiplex"

Система контроля доступа кинотеатра "Cinemax Shymkent Multiplex" расположенного в торгово-развлекательном центре "Шымкент Plaza"

Исполнитель:
ТОО "Портал LTD"
Рижский вокзал г.Москва
Рижский вокзал г.Москва

Капитальный ремонт пожарной сигнализации в здании рижского вокзала по адресу: г. Москва, ул. Рижская пл., д.3.

Исполнитель:
ООО "Спецавтоматика"
Городская усадьба С.Б. Куракина, здание ОАО РЖД
Городская усадьба С.Б. Куракина, здание ОАО РЖД

Городская усадьба С.Б. Куракина, здание ОАО РЖД

Исполнитель:
ООО "Спецавтоматика"