Проекты и решенияПроектно-монтажные организацииООО "ЭкспертСтройИнжиниринг"
Рекомендации по построению систем пожарной автоматики в соответствии с СП 484.1311500.2020 изм.1
Автоматизация проектирования BolidCAD
Оборудование Болид в Едином реестре российской радиоэлектронной продукции
Приглашаем принять участие в опросе

ООО "ЭкспертСтройИнжиниринг"

ООО "ЭкспертСтройИнжиниринг"

Адрес: 644009, г. Омск, ул. 10 лет Октября, 193 корпус 2, офис 601
Телефоны: +7 (3812) 505-112, 8 (950) 959-30-30, +7 (908) 108-18-40
Email: esi-omsk@mail.ru

Комплексные системы безопасности зданий и сооружений

- инженерные системы: электроснабжение и электрооборудование зданий и сооружений, отопление, вентиляция и кондиционирование, водоснабжение и канализация;
- cистемы безопасности: система охранно-тревожной сигнализации, система контроля и управлении доступом, система охранного телевидения, противопожарная защита;
- IT-услуги: построение телекоммуникационной инфраструктуры, центров обработки вызовов, системы видеоконференцсвязи, системы озвучивания и отображения, аудиовизуальные комплексы; информационно-аналитические комплексы; решения по оснащению диспетчерских и ситуационных залов, кабинета рабочих совещаний и др.;
- промышленная автоматизация: системы автоматического управления технологическим процессом, а также отоплением, вентиляцией, кондиционированием, освещением, системами безопасности и др.

Лицензии:

Лицензия МЧС №55-Б/00067 от 26 ноября 2014г.
срок действия: бессрочно
Список проектов, на которых применяется оборудование НВП "Болид".
По определенным причинам Исполнители не могут публиковать полный перечень выполненных проектов.
За более полной информацией можете обратиться к Исполнителю.


Выделенные помещения
Выделенные помещения

Административно-торговые помещения

Административное здание
Административное здание

Помещения комплекса многофункциональных учебных аудиторий автономного учреждения Омской области дополнительного профессионального образования "Центр охраны труда"

Торговый комплекс "Золотые росы"
Торговый комплекс "Золотые росы"

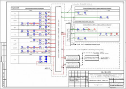
Система АПС на основе ППКУ "Сигнал-20М".

Транспортная компания "ГлавДоставка"
Транспортная компания "ГлавДоставка"

Система ОПС в здании складского комплекса.

Служба заказа легкового транспорта
Служба заказа легкового транспорта

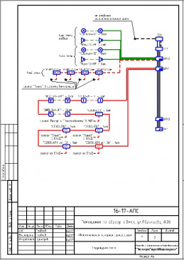
Система пожарной сигнализации на основе прибора приемно-контрольного и управления охранно-пожарного "Сигнал-20М"

Торговый комплекс по ул. Ватутина в КАО г. Омска
Торговый комплекс по ул. Ватутина в КАО г. Омска

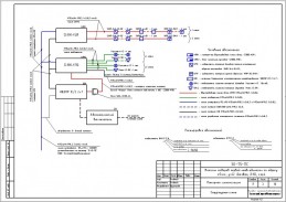
Рабочей документацией предусмотрены: "Автоматическая пожарная сигнализация. Система оповещения людей и управления эвакуацией при пожаре. Автоматизация пожарных насосов внутреннего противопожарного водопровода."

Эко-Деревня "На лугах"
Эко-Деревня "На лугах"

Эко-Деревня создана для организации экологически чистого пространства для проведения времени на природе

Здание центра культуры и досуга Лукьяновского казачьего сельского поселения
Здание центра культуры и досуга Лукьяновского казачьего сельского поселения

Здание центра культуры и досуга - клубное учреждение, центр культурно-массовой и просветительской работы

Временное здание
Временное здание

К временным зданиям и сооружениям относятся специально возводимые или приспособляемые на период строительства производственные, складские, вспомогательные, жилые и общественные здания и сооружения, необходимые для производства строительно-монтажных работ

Складской комплекс
Складской комплекс

Специализированное комплекс, основными функциями которого являются обработка и хранение грузов, таможенное оформление, информационные услуги и т.д.

Цех наполнения баллонов кислородом и инертными газами Тюменского филиала ОАО "Автогенный завод"
Цех наполнения баллонов кислородом и инертными газами Тюменского филиала ОАО "Автогенный завод"

Основной вид деятельности - производство и реализация технических газов (кислорода, азота, аргона, ацетилена, гелия, газовых смесей и углекислоты), отпускаемых как в газообразном состоянии (в баллонах), так и в жидком состоянии (в криогенных цистернах).

Складской комплекс
Складской комплекс

Специализированное комплекс, основными функциями которого являются обработка и хранение грузов, таможенное оформление, информационные услуги и т.д.

Торговый центр
Торговый центр

Группа предприятий торговли, управляемых как единое целое и находящихся в одном здании или комплексе зданий

Детский досуговый центр
Детский досуговый центр

Это место, где познание мира и развитие у детей раннего и дошкольного возраста проходят в форме веселых игр

Cash&Carry Русклимат
Cash&Carry Русклимат

Компания осуществляет поставку, проектирование, продажи, монтаж, гарантийное и сервисное обслуживание систем кондиционирования, вентиляции, отопления, водоснабжения и обогрева

Частная школа
Частная школа

Частная школа — негосударственное учебное заведение начального или среднего образования (школа), средства на содержание которого окупаются полностью или частично за счёт платы, взимаемой с учащихся

Коктейль-бар Pine Bar
Коктейль-бар Pine Bar

Коктейль-бар в историческом центре Омска для горячих сердец Сибири с могучим характером и щедрой, отзывчивой душой. Тёплые дружеские встречи, гармония правильной музыки, родной гастрономии и напитков с сибирским колоритом.

Кафе "Очаг"
Кафе "Очаг"

При готовке шашлыка мы стараемся выбирать только лучшее мясо. Каждый день к нам завозят продукты, у нас всегда свежий, вкусный и сочный шашлык. Наши повара готовят еду на ваших глазах в течении 10-15 минут.

Отделение милосердия для престарелых и инвалидов
Отделение милосердия для престарелых и инвалидов

Учреждение, предназначенное для постоянного, временного и пятидневного в неделю проживания пожилых, инвалидов, находящихся на постельном режиме или передвигающихся с посторонней помощью, и предоставления им необходимых социальных услуг

выделенные помещения 1-го этажа
выделенные помещения 1-го этажа

Административно-торговые помещения

Магазин товаров первой необходимости
Магазин товаров первой необходимости

Торгово-складское здание

Салон "Нимфа"
Салон "Нимфа"

Заведение занимается косметическим обслуживанием мужчин и женщин. «Нимфа» - (от греч. «девушка», «женщина») – это возвышенный и притягательный идеал, к которому стремится Мир.

Трёхуровневая квартира
Трёхуровневая квартира

Комплексная система безопасности жилой трёхуровневой квартиры

Склад №6 ООО «Торговая Компания «Надежда»
Склад №6 ООО «Торговая Компания «Надежда»

Оптовый распределительный склад, снабжающий товаропроводящие сети

Магазин с пекарней
Магазин с пекарней

Здание "Магазин-пекарня" из условия производства хлебобулочных изделий, а также реализация населению продовольственных и промышленных товаров

Пост охраны и производственно-складской комплекс
Пост охраны и производственно-складской комплекс

Пост охраны производственно-складского комплекса. Предоставление помещений в аренду под склад и для производственной деятельности.

Станция газификации и гараж. Новосибирский филиал ОАО «Автогенный завод»
Станция газификации и гараж. Новосибирский филиал ОАО «Автогенный завод»

Основной вид деятельности - производство и реализация технических газов (кислорода, азота, аргона, ацетилена, гелия, газовых смесей и углекислоты), отпускаемых как в газообразном состоянии (в баллонах), так и в жидком состоянии (в криогенных цистернах).

Здание наполнительной станции. Барнаульский филиал ОАО «Автогенный завод»
Здание наполнительной станции. Барнаульский филиал ОАО «Автогенный завод»

Основной вид деятельности - производство и реализация технических газов (кислорода, азота, аргона, ацетилена, гелия, газовых смесей и углекислоты), отпускаемых как в газообразном состоянии (в баллонах), так и в жидком состоянии (в криогенных цистернах).

Офиссное здание со свободной планировкой
Офиссное здание со свободной планировкой

В современном офиссном здании со свободной планировкой создана гибкая система охранной сигнализации и система контроля и управления доступом

Фитнес центр "Адам и Ева"
Фитнес центр "Адам и Ева"

Фитнес-центр «Адам & Ева» - это просторный тренажерный зал, оборудованный современными профессиональными тренажерами, имеющими биомеханику, максимально приближенную к биомеханике человека, разделенный на несколько зон.

Кофейня "Coffee rooms"
Кофейня "Coffee rooms"

Новая кофейня "Coffee rooms" в сердце исторического центра г.Омска. "Coffee rooms" - это культурный проект, который кульминирует собой тенденции современной кофейной индустрии.

Детский досуговый центр "Беби студио"
Детский досуговый центр "Беби студио"

Детский досуговый центр "Беби студио" объединяют в себе лучшее для всестороннего развития детей дошкольного возраста

Многоквартирный жилой дом
Многоквартирный жилой дом

Многоквартирный жилой дом. 16 этажей

Бюджетное учреждение здравоохранения Омской области "Бюро судебно-медицинской экспертизы"
Бюджетное учреждение здравоохранения Омской области "Бюро судебно-медицинской экспертизы"

Основные виды деятельности: - судебно-медицинская экспертиза и исследование трупа; - судебно-медицинская экспертиза и обследование потерпевших; - судебно-медицинская экспертиза вещественных доказательств. - медико-криминалистическая; - биохимическая;

Детский развлекательный центр "Baby Studio"
Детский развлекательный центр "Baby Studio"

Детский развлекательный центр "Baby Studio"